忍者ブログ

2026
03
14

[PR]

×

[PR]上記の広告は3ヶ月以上新規記事投稿のないブログに表示されています。新しい記事を書く事で広告が消えます。

2026/03/14 (Sat.)

2016
01
05

復活 ~2年間何をしていたか~

大変ご無沙汰しております、abeです。
遅ればせながら新年明けましておめでとうございます。

さて、約2年間も更新が滞っておりましたが、満を持して筆を取らせていただきます。誰も期待してないけど。

PR

[つづき]

2016/01/05 (Tue.) Comment(3) 未選択

2011
08
29

そろそろ再開すっか

いやーしゅうしょくしてからというものほとんどブログ書いてないですね。仕事終わってからだと、なかなか文章書くのがめんどくさい。ツイッタで満足しちゃう。

でもマンドリン回想録とか完了してないネタがあるし、ぼちぼち日常・趣味について書いていこうかなという気になったので、そろそろ再開してみようかと思います。まぁ週1ぐらいでのアップを目指しますよ。誰も読んでないだろうけれど。

とりあえず最近の悩みは睡眠時間が取れないことですかね。1日8時間は寝たいところ、5時間ぐらいしか寝られてない。それで1週間睡眠不足が溜まって、土曜は15時ぐらいまで寝ちゃう……みたいな。まぁ15時まで寝るのは学生のころと変わってないですが。

あと、結構仕事が難しくなってきましたね、技術的に。FPGAとかCPUのIPcoreとかCANとか……家で勉強しないとついていけないようぅ! それと英語。英語のデータシートとかマニュアルとか読むこと多いし、アメリカ人の同僚が入ってきたりして、英語に触れる機会が学生のころより格段に増えてます。少しは勉強しててよかったーと思いますが、もっともっと勉強せねば。

それから家事が追いつかない。気力の問題で。料理はするが掃除・洗濯めんどくさい。部屋片付かない。嫌になります。そして金が無い。何でこんなに無いんだ?と摩訶不思議なほど金がありません。学生時代に匹敵する金のNASAです。誰か助けてください。

というわけでとりとめもないですが、まぁぼちぼちやっていきますよ。皆さんご一緒にがんばりましょう。

2011/08/29 (Mon.) Trackback() Comment(4) 未選択

2011
01
31

今まで

俺を馬鹿にしてきた奴、あざけ笑ってきた奴、裏切って逃げた奴、意味不明なイチャモンつけて罵詈雑言浴びせかけてきた奴、散々自己中に振舞うくせに偉そうなこと言ってきた奴、

全員覚えてろよ。

見返してやるわ。糞が。

2011/01/31 (Mon.) Trackback() Comment(5) 未選択

2010
07
27

Twitterが結構面白い件について

面白いというか、思いついたことをすぐ書けるのでブログを書く機会が減ってしまうというか……
人の発言をリツイートという形で引用するのも簡単。誰かが言った良いことを自分が言ったみたいな顔してばら撒けるという虫のよさがいい。

最近じゃこれを商売に利用しようという動きも盛んで、Twitterで人集めてきたら割引とかいうシステムも人気らしいよ。まぁ宣伝をつぶやきまくるというスパムみたいな使い方も依然として多いけど。

最近はm井選手が開発した(?)
HCU×Twitterというのをたまに使ってます。市大内のどの場所でどんなことがつぶやかれてるかというのをタグで管理して一覧表示…みたいなシステム。もう少し利用者が増えんとありがたみが無いと思うが…気が向いたら使ってみてね!

2010/07/27 (Tue.) Trackback() Comment(0) 未選択

2010
06
17

おいhn田!!


GRP_0102.JPG

お前そんなとこで何やってんだ!

2010/06/17 (Thu.) Trackback() Comment(8) 未選択

2010
06
10

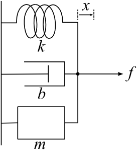
機械インピーダンスの一般化


sdm1.png

上図のようなバネ・マス・ダンパ系は、次式で表されます。
equ1.PNG

ここでバネ定数 k = r0, 粘性係数 br1, 質量 mr2 とすると当然
equ2.PNG

と書けますが、これを一般化すると
equ3.PNG

となりますよね。つまり↓のような感じ。

sdm2.png

この ri (i >= 3) は一体何なのか(存在するのか)?
というのをずっと気にしています。

変位の0階微分すなわち変位に反応するのがバネ。
変位の1階微分すなわち速度に反応するのがダンパ。
変位の2階微分すなわち加速度に反応するのが質量。

じゃあ変位の3階微分すなわち躍度に反応するものは無いのか。
変位のn階微分に反応するものは無いのか。

というわけで昔これに関連してジャーク制御シートというのを考えたというか書きましたが、あれってバネ・ダンパ・マス全部いるのかどうかちょっとよく分からんな。ただあの機構で台車の加速度変化による慣性力の影響は抑えられると思うんですが……。


結局のところ何が疑問かというと、なぜ2階微分までが特別なのかってことです。
3階以上の微分に反応する機械的な部品は無いんでしょうか。
有識者の意見求む。

2010/06/10 (Thu.) Trackback() Comment(0) 未選択

2010
06
08

テンプレート変えてみた

従来のテンプレートは1200×800ぐらいのディスプレイを前提に設計されていたため、それより大きいディスプレイで閲覧すると右側が寂しかった。特にワイド画面で見ると半分ぐらい余っていた(図1)。

 
onwidedisplay.PNG

図1. 余る右側

 

そこで今回、テンプレートを変更してみた。イイ感じになっているはずである。ただ過去の記事を見るとフォントの種類がめちゃくちゃになっている。さらに図を挟むと色さえも変わるようだ。非常にイラつく。まぁいいか。

font size = 2はさすがに小さい気がしてきたので、この文字サイズで行くことにする。最近小さい文字が読めない。

2010/06/08 (Tue.) Trackback() Comment(2) 未選択

2010
01
07

クジラって爆発するんだぜ?

  最近シーシェパードが日本の捕鯨船に高速船ブチ当てて大破させ、しかも航行不能になった高速船を海上に放棄して重油垂れ流すという意味不明な事件が起こったりしてますが……


  Wikipediaに
「鯨の爆発」という頁があるのをご存知ですか? クジラの爆発とは、それほど一般的な現象なのです……とは言い過ぎですが、クジラを爆発させたという事例が過去にいくつかあるんですよ。

鯨の爆発については、これまで顕著な事例について2件が記録されている。このほか知名度の低いものも何件か存在する。最も有名な爆発は、米国オレゴン州フローレンスで1970年に起きた。死んだコククジラの腐敗した死体を廃棄しようとしたオレゴン高速道路局によって発破されたものである。この事例はアメリカのユーモア作家デイブ・バリーが新聞のコラムにこのことを記したことで有名になり、後にテレビの一場面がインターネットに登場したことでまた有名になった。

とのこと。この最も有名なケースに関しては、Web上で当時のニュース動画が公開されてたりします。爆発で思いのほか遠くまで吹き飛んだ脂肪の塊が車の上に降り注いだりして、エラいことになったらしいです。


  で、もうひとつの有名なケースが、腐敗ガスで自然爆発したというもの。2004年1月、台湾にて、打ち上げられたクジラの死骸を解剖検査しようとして運搬してたら、溜まったガスで大爆発したそうです。街のど真ん中、露店や見物人で賑わってたところで爆発ってすごい。
こちらでそのときの実際の写真が見られます(グロ注意)。後が大変だったでしょうね。


  しかしクジラって大量に浜に打ち上げられたり爆発したり、数奇な運命を辿ることが多いな。

2010/01/07 (Thu.) Trackback() Comment(0) 未選択

2009
10
29

不思議の国のアリス症候群

  というのをご存知ですか?

  不思議の国のアリス症候群 (ふしぎのくにのアリスしょうこうぐん、Alice in Wonderland syndrome, AIWS) とは、知覚された外界のものの大きさや自分の体の大きさが通常とは異なって感じられる主観的なイメージの変容した状態である。

  この症候群の名前は、ルイス・キャロルの小説『不思議の国のアリス』で薬を飲んだアリスが大きくなったり小さくなったりするエピソードに因んで、1955年に精神科医トッド(John Todd)により名付けられた。ルイス・キャロルは偏頭痛に悩んでいたことが知られており、彼自身がこの症状をはじめとする小説内のエピソードを体験していたかもしれないとする推測がある。

  この症状では典型的には、眼に障害がなく外界が通常と同じように見えていると考えられるにもかかわらず、一方では主観的にそれらが通常よりも極めて小さな、または大きなものになったように感じられたり、ずっと遠く、あるいは近くにあるように感じられたりする。 例えば、犬のようなペットがネズミと同じ大きさに感じられたりする。 自分の体は逆にそれぞれ大きく、または小さくなったように思うこともある。 外界が小さく感じられるものを小視症 (micropsia)、大きく感じられるものを大視症 (macropsia)、ひずんで感じられるものを変視症 (metamorphopsia) と呼ぶ場合もあるが、これらの呼称には眼底疾患など視覚そのもの障害による症状も含まれる。  (出典: フリー百科事典『ウィキペディア(Wikipedia)』)

   まぁ詳しくはWikipediaを読んでくれ。皆さんはこんな経験ありますか? ボクは中学生ごろまで、たま~にこういう感覚を感じることがありました。寝る間際、とてつもなく大きな物の中に小さなものが含まれているような、何とも形容しがたい感覚が生じるのです。胡麻粒で地球を支えているような、変なイメージが湧く。あるいは、日常生活の中で、不意に近くにいる人の顔がものすごく遠くにあるように思えたりする。別に怖かったり苦しかったりするわけでもなく、ただ不可思議、奇妙。最近でも激しく熱が出たりするとこんな感覚を味わうことがあります。まぁここ2年半ぐらいは高熱出たことないですが。

  こんな極めて形容しにくい感覚でも、目ざとく見つけて特徴を列挙し、他人と共通する感覚であることさえ明らかにして名前まで付けてしまう人間の分析力がすごい。この感覚に不思議の国のアリス症候群という名前があって多くの人がそれを体験していることを知ったとき、「やぁ!君もこっちの世界に気づいたんだね、ようこそ!」と言われているような気がしました。分かる人にしか分からない、あるあるネタのような。

  まぁただそれだけ。

2009/10/29 (Thu.) Trackback() Comment(0) 未選択

2009
09
24

【これはヤバい】 ホンダu3-x 【蝿さん情報】

  おい!! みんな見たかホンダU3-X!! こりゃあ革命じゃぁぁっぁぁぁぁああああ!!!!

  まぁまずはこいつを見てくれ!


  見ただけでヤバさは分かるよね。まぁセグウェイとかエニサイクルの二番煎じっちゃあ二番煎じだが、何しろすごいのはオムニホイールによる左右平行移動を可能にしている点。いわゆるホロノミックシステムってやつですね。オムニホイールも昔からあるにはあるが、人が乗れるレベルで実用化されたのは世界初なのではないか? これはすごいよ、ぜひ欲しい。

  これからはロボティクス技術と乗り物が融合する時代だ。

2009/09/24 (Thu.) Trackback() Comment(0) 未選択

プロフィール

自己紹介:
広島で活動していたバンド、LDF。 リーダー、abe、サイバ、AtoCの4人。今は実質、abe。
※写真はリーダーのものです
本ブログの注意事項
↑はじめにお読みください

リンク

イガさんHP
 理系ギタリスト・イガさんのHP。音楽レビューブログ「まっはの音楽室」はじめました  
---------------------------------
ひとりごとをはじめましょう
 元チェロ弾きn安さんがひとりごとをつぶやく(頻度は低い)。 HPもあるよ!  
---------------------------------
つづらな陽気
 ユーチャン@コボラーが無限の日常とボヤきをつづる。更新は稀  
---------------------------------
一音成仏~ブロリの部屋~
 自称作曲家(笑)の元LDFリーダーの自己満日記。いろいろやってます。今は移転済み  
---------------------------------
地を這う円盤 -Whistler-
 自称寒がりな思考人(笑)のs原さんが何やかんや。最近は「旋律の作法」など  
---------------------------------
たま~に戯言
 寡黙なマンドリン弾き・s山の戯言。密かに培ったMIDI技術で駄音も製作中  
---------------------------------
monolith
 石オタクm田がかなりの頻度で石情報を量産する濃厚ブログ。最近は料理ネタがメイン
---------------------------------
ちぇりーず!HP
 アングラ系マンドリン合奏団「ちぇりーず!」のHP。私が製作。みんな来てね!
---------------------------------
solo-guitar.info
 リスナーとプレイヤーをつなげるソロギター情報発信サイトです!

Latest Tweets

最新コメント

[11/22 abe]
[11/22 ゆじ]
[10/07 abe]

カレンダー

02 2026/03 04
S M T W T F S
1 2 3 4 5 6 7
8 9 10 11 12 13 14
15 16 17 18 19 20 21
22 23 24 25 26 27 28
29 30 31

アーカイブ

カテゴリー

ブログ内検索

バーコード

カウンター

アクセス解析

RSS